beule1
beule1
energiezahler und pumpengruppe leer
energiezahler und pumpengruppe leer
falscher adapter
falscher adapter
falsche verschraubungen
falsche verschraubungen
gesammelte untterlagen
gesammelte untterlagen
graben 1
graben 1
graben 2
graben 2
graben 3
graben 3
graben 4
graben 4
graben 5
graben 5
graben aushub
graben aushub
graben ist wieder zu
graben ist wieder zu
heizung mit druck 1
heizung mit druck 1
heizung mit druck 2
heizung mit druck 2
heizung mit druck 3
heizung mit druck 3
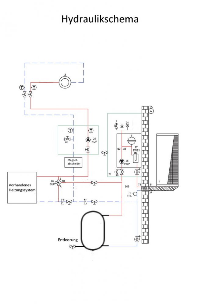
hyderaulik alt
hyderaulik alt
hydraulikmodul angeschlossen
hydraulikmodul angeschlossen
hydraulikmodul bei montage
hydraulikmodul bei montage
hydraulikmodul elektrische anschlusse
hydraulikmodul elektrische anschlusse
hydraulikmodul fertig
hydraulikmodul fertig
hydraulikmodul hangt
hydraulikmodul hangt
hydraulikmodul verdrahtet
hydraulikmodul verdrahtet
hydraulik neu 20.10
hydraulik neu 20.10
kabelverlegung
kabelverlegung
keller altes rohrchaos
keller altes rohrchaos
keller altes rohrchaos 2
keller altes rohrchaos 2
keller altess rohrchaos 3
keller altess rohrchaos 3
keller alt fenster
keller alt fenster
keller alt rechts oben
keller alt rechts oben
keller bohrungen
keller bohrungen
keller boiler ist unten
keller boiler ist unten
keller hydraulikmodul 2
keller hydraulikmodul 2
keller hyydraulikmodul
keller hyydraulikmodul
keller kabel am speicher
keller kabel am speicher
keller kabel werkstatt
keller kabel werkstatt
keller links in betrieb
keller links in betrieb
keller links in betrieb 2
keller links in betrieb 2
keller links in montage
keller links in montage
keller pumpenbaugruppe
keller pumpenbaugruppe
keller rechts  fertig
keller rechts fertig
keller rohrchaos 3
keller rohrchaos 3
keller rohrubergang
keller rohrubergang
keller schrank ist raus 2
keller schrank ist raus 2
keller vormontage
keller vormontage
keller wp-rohre liegen
keller wp-rohre liegen
kerller schrank ist raus
kerller schrank ist raus
materialsammlung 2
materialsammlung 2
materialsammmmlung
materialsammmmlung
montage kellerfenster schaum
montage kellerfenster schaum
neuer wasseranschluss
neuer wasseranschluss
 
Powered by Phoca Gallery