Grunewald
  1. Aktuelle Seite:  
  2. Startseite
  3. Elektronik
  4. Präzise Wechselspannungen
  5. Elektronik
Details
Kategorie: Elektronik

Grundsätzlich benötigen alle Geräte, die in der E-Werkstatt auf den Tisch kommen, elektrische Energie. Manchmal aus der Steckdose. Um dabei die eigene Gefährdung zu minimieren ist ein Trenntransformator, der auch einstellbare Spannungen liefern kann, Pflicht. Das macht das weiße Gerät in der Mitte. Es wurde in einer Schule verschrottet, weil man nicht damit umgehen konnte!

 R0A7304

Manche Geräte brauchen kleinere Spannungen, z.B. 24 V, die die braune Kiste mit sehr hoher Leistung liefern kann. Das schwarze Gerät ist für Gleichspannungen bei höherer Leistung bis 60 V zuständig. Es ist schon ziemlich betagt, ich werde ihm mal eine neue, moderne Regelelektronik spendieren. Das graue Gerät hinten rechts ist historisch, es ist um 1960 gebaut, es liefert stabilisierte Gleichspannungen bis 500 V und wird für Röhrengeräte verwendet. Ja, beim Restaurieren kommt so was noch auf den Tisch.

Details
Kategorie: Elektronik

Auf rund 3,4m ist Elektrik aufgereiht, hier ist der Raum mit der größten Steckddosendichte.

 R0A7263

Man kann das auch mit dem Weitwinkelobjektiv nicht in einem Bild erfassen, was sich dort angesammelt hat.

 R0A7264

Wozu braucht man das? Das Haus mit dutzenden von elektrischen Geräten aus dem Eigenbau zu versehen und sich dann bei jedem spinnenden Rollladen, Rasensprenger, Garagentor zu fragen, welches Steuergerät gerade dafür zuständig ist, das ist Hobbyelektronik. Alternativ kann das auch das Ausharren bei 20° C Frost in der kalten Wohnung oder Höllentemperaturen im Winter bedeuten, wenn Hacker sich in der Heizungssteuerung eingenistet haben sollten. Können die eigentlich nicht, denn kritische Infrastruktur kommt nicht nach draußen und ist von draußen auch nicht erreichbar.

Es ist mein Hobby, auch ältere Geräte zu reparieren und zu restaurrieren. Das wird auch hier noch beschrieben. Das gelingt nur mit der passenden Messtechnik. Etwas davon möchte ich vorstellen.

 

Professor zum Studenten: "Fährt eine Straßenbahn eigentlich mit Gleich- oder mit Wechselstrom?"
Student: "Mit Wechselstrom!"
Professor: "Aber müsste die dann nicht immer hin und herfahren?"
Student: "Aber das tut die doch!"

Details
Kategorie: Elektronik

Das Haus mit dutzenden von elektrischen Geräten auss dem Eigenbau zu versehen und sich dann bei jedem spinnenden Rolladen, Rasensprenger, Garagentor zu fragen, welches Steuergerät gerade dafür zuständig ist, das ist Hobbyelektronik. Alternativ kann das auch das Ausharren bei 20° C Frost in der kalten Wohnung oder Höllentemperaturen im Winter bedeuten, wenn Hacker sich in der Heizungssteuerung eingenistet haben.

WZ1A8895

Wenn man auf diesem Sektor konstruiert, baut und repariert, ist ein technisches Equipment nützlich. Hier sieht man etwa 50 Jahre Mess- und Prüftechnik vereint. Vom 2kW-Netzteil für 24 V im Hintergrund, ein Frequenzzähler (80er Jahre), ein stabilisiertes Netzgerät (mit Röhren!) für Spannungen bis 500 V über ein DVM und ein Kapazitätsmessgerät mit roter LED-Anzeige (80er Jahre), einem Hameg-Oszilloskop (Ende 70er Jahre) und ein Tektronix-DSOszilloskop (80er Jahre)  bis zu Oskar dem Dritten (folgt) Alle Geräte sind voll einsatzfähig und haben immer noch ihre Einsatzberechtigung. Das Handheld-DVM ist dagegen schon richtig modern, obwohl das hier auch sicher schon 15 Jahre alt ist.

Professor zum Studenten: "Fährt eine Straßenbahn eigentlich mit Gleich- oder mit Wechselstrom?"
Student: "Mit Wechselstrom!"
Professor: "Aber müsste die dann nicht immer hin und herfahren?"
Student: "Aber das tut die doch!"

Details
Kategorie: Elektronik

Schaltnetzteile reparieren, ein Hexenwerk?

Abb1

Abb. 1 SNT-Modul. 12 V, 4,2 A Maße 9 x 8 x 3 cm³

Netzteile machen aus der Netzspannung die Spannung, die ein Gerät zu seinem Betrieb benötigt. Weiter sorgen Sie für die galvanische Trennung vom Netz, die wir meistens wünschen. Fast immer erfolgt auch eine Gleichrich­tung und Stabilisierung der Ausgangsspannung. Netzteile waren lange stets mit einem klassischen Trafo ausge­stattet . Die Hauptperson, der Trafo, war groß, schwer und durch die Preisentwicklung zuletzt das teuerste Bau­teil. In den letzten 30 Jahren wurden solche Stromversorgungen durch Schaltnetzteile ersetzt. Die sind klein, kompakt und heute recht preiswert. Anfangs eingesetzt wurden, wurden sie fast als Hexenwerk betrachtet. Sie haben noch immer den Ruf, kompliziert und störanfällig und reparaturresistent zu sein. Die Instandsetzung gilt als gefährlich und kompliziert, Reparaturversuche führten zu viel Frust und weiteren Schäden. Nach einem Aus­tausch von Bauteilen arbeiteten die Netzteile weiter nur als Rauchgenerator Heute kommt man an Schalt­netz­teilen nicht mehr vorbei. Es gibt schon viele Erklärungen und Reparaturanleitungen im Internet. Man­che davon sind gruselig, andere wirklich gut [1]. Das war der Grund, die Funktionsweise noch einmal zu beschreiben und ein Schema zum Vorgehen bei der Reparatur vorzustellen.

 

Abb. 2 Frühes SNT 12V 5 A, 15 x 9 x 3 cm³


Wie funktionieren solche Netzteile?

Fließt durch eine Spule ein Strom, bildet sich in der Spule ein Magnetfeld. Seine Stärke wird anschaulich durch die Zahl der Feldlinien, die durch das Innere der Spule laufen, beschrieben. Physikalisch wird das durch den magnetischen Fluss Φ. , für den gilt:

Φ = B * A

Dabei ist A die Größe der Innenfläche der Spule und B ist die magnetische Flussdichte, bildlich die Anzahl der Feldlinien pro cm². Über B ist die Stärke eines Magnetfelds definiert.

Wenn sich in einer Spule der magnetische Fluss  verändert, wird in der Spule eine Spannung induziert. In unse­rem Fall geschieht das, wenn sich die Stromstärke durch die Spule verändert. Das erledigt vorzüglich ein Wech­selstrom aus der Steckdose. Weil sich beim Trafo in der Primärspule durch den Wechselstrom bedingt das Mag­netfeld ständig ändert, wird auch in der Sekundärspule eine Wechselspannung induziert.

Das Induktionsgesetz gibt Auskunft über die Höhe der induzierten Spannung:

Dabei ist f die Frequenz des Wechselstroms und n die Windungszahl der Spule. [2]

Und darin steckt dann die grundlegende Idee: Will man eine Spannung mit einer bestimmten Höhe haben, muss bei einer niedrigeren Frequenz f = 50 Hz der Teil  B * n * A des Produktes viel größer sein als bei  f = 50 kHz .

Man kann deshalb bei f = 50 kHz die Kernfläche A und die Windungszahl n sehr viel kleiner wählen als bei f =50 Hz. Ein Transformator mit Ferritkern für hohe Frequenzen ist kleiner, leichter und damit auch billiger. Das ist der Vorteil der Schaltnetzteile, auch wenn ein paar Bauelemente mehr benötigt werden.

Abb. 3 Vereinfachte Schaltung aus Abb. 1

Abb. 3.zeigt das stark vereinfachte Schaltbild des Netzteilmoduls aus Abb. 1. Die Funktionsweise soll daran er­läutert werden.

Wechselstromquellen mit Frequenzen von mehr als 20 kHz stehen nicht direkt zur Verfügung. Deshalb wird die Netzspannung mit D2 zunächst gleichgerichtet und durch den Ladekondensator C2 "geglättet". Diese Gleich­spannung legt man über einen MOSFET Q1 in Reihe an die Primärwicklung des Trafos T1. Das IC U2 kann denn Strom durch die Primärspule ein- und ausschalten, ein sich ändernder Strom führt zu einer induzierten Spannung.

Nach dem Einschalten von Q1 beginnt ein Strom durch die Primärwicklung des Trafos zu fließen. Der ansteigen­de Strom induziert in der Primärwicklung eine Spannung, die laut der Lenzschen Regel dem Stromanstieg entge­genwirkt. So steigt der Stromfluss (theoretisch) linear mit der Zeit an. Auch in der Sekundärentwicklung des Tra­fos wird eine Spannung induziert. Ehe der Kern des Trafo in die magnetische Sättigung gerät, muss U2 den Transistor Q1 wieder sperren. Die Primärwicklung bildet mit parasitären Kapazitäten einen Schwingkreis mit recht hoher Resonanzfrequenz. Der Stromfluss durch die Wicklung sinkt deshalb nach dem Abschalten sehr schnell, in der Sekundärentwick­lung wird deshalb eine hohe Spannung entgegengesetzter Polarität induziert. Das kennt vom Ausschaltvorgang bei einer Relaisspule. Der Vorgang wiederholt sich vom IC gesteuert 20 000- bis 500 000-mal pro Sekunde, in der Sekundärspule entsteht eine Wechselspannung mit dieser Frequenz, die man mit D1 gleichrichtet und mit C1 glättet.

Abb.4 Sekundärspannung an D1


Es gibt zwei Arten dieser Netzteile. Bei einem Sperrwandler ist die Diode D1 leitend, wenn die Spannung beim Abschalten des Primärstroms induziert wird. Das ist bei Netzteilen mit kleinerer Leistung fast immer der Fall. Benötigt man höhere Leistungen ist es umgekehrt, die Sekundärwicklung ist so gepolt, dass die Diode bei fließendem Primär­strom leitet. Dann muss man allerdings wie beim Relais dafür sorgen, dass die Rück­schlag­spannung beim Ab­schalten des Primärstroms keinen Schaden anrichtet und der Transistor nicht beschädigt wird. Mit einer Hilfswicklung auf dem Trafo und einer Diode kann man die Im Magnetfeld gespeicherte Energie der speisend­en Quelle zurückführen, Da Durchflusswandler sonst fast ge­nauso gebaut sind wie Sperrwandler, lassen wir die Details aus. Netzteile sehr hoher Leistung arbeiten mit Ge­gentaktwandlern als Durchflusswandler.

Abb. 5 Leiterplatte von Abb. 1

 

Noch ein wenig Theorie:

Betrachten wir hier den Sperrwandler. Die gleichgerichtete Sekundärspannung wird dem Verbraucher zugeführt. Da fließt Energie. Wie viel Energie E im Magnetfeld einer Spule mit der Induktivität L beim Strom I gespeichert ist, sagt

E = 0,5 L I² 

Da der Strom nach dem Einschalten linear steigt, hängt die Energie des Felds von der Einschaltdauer des Tran­sistors ab. Variiert man die, kann man die übertragene Energiemenge und damit die Spannung an C1 verändern.

Abb. 6 Gatespannung bei 20 W Last (oben), 50W(unten) f=80kHz

Überschreitet diese Spannung den gewünschten Wert, wird die Zehnerdiode D4 leitend und die Leuchtdiode in Optokoppler U1A aktiviert. Der Transistor des Optokopplers sorgt dann dafür, dass das Steuer-IC die Einschalt­dauer reduziert. So wird die Ausgangsspannung auf den gewünschten Wert geregelt.

Auch das IC U2 benötigt eine Stromversorgung. Beim Einschalten wird C3 über R2 aufgeladen. Erreicht die Spannung an C3 einen Wert von etwa 14 V beginnt U2 zu arbeiten und taktet Q1. In der Hilfswicklung von T1 wird dann auch eine Spannung induziert, die von D3 gleichgerichtet wird und C3 nun weiter lädt und so U2 weiter versorgt.


Die Vereinfachung sollte helfen, die Funktionsweise zu verstehen. Abb. 7 zeigt das ganze Schaltbild.

Abb. 7 Gesamtschaltung des Netzteils

Zu den übrigen Bauteilen: Im Eingang sind die Sicherung F1 und der Thermistor TH1, der den Einschalt­stromstoß begrenzt. Das Filter L1 dämpft mit C5, C6 und C7die Ausleitung hochfrequenter Störungen in das Netz. D5 mit C4 und R3 begrenzen Spannungsspitzen beim Abschalten von Q1. Eine wichtige Funktion hat R13, der den Sourcestrom von Q1 überwacht. Die an R13 abfallende Spannung gelangt an Pin3 von U2. Das R-C-Glied R14 mit C14 filtert kurze Spitzen weg. Wenn die Spannung an Pin 3 einen Wert von etwa 1 V überschreitet, liefert U2 keine Impulse mehr und schützt so Q1 bei Überlast. R7 und C11 bestimmen die Frequenz des Ausgangssig­nals. R8 führt die Referenzspannung von 5V, die an Pin 8 ausgegeben wird, an Pin 1. Wenn der Transistor im Opto­koppler leitend wird, zieht der diese Spannung gegen 0. Die Höhe der Spannung an Pin 1 bestimmt die Pulsbreite am Ausgang Pin 6 bei stets gleicher Taktfrequenz. So erfolgt die Spannungsregelung über eine Puls­brei­ten­mo­du­lation des Signals an Pin 6.

Das gelangt zum Gate von Q1. Die Kapazität vom Gate zu Source muss ständig auf- und entladen werden. R5 begrenzt den Ladestrom, D5 sogt für eine schnelle Entladung. D9 schützt den Q1 vor zu großer Steuerspannung.

Die Aufgaben der Bauteile links unten seien nur kurz erwähnt. So wird der Wandler bei einem Ausfall der Regel­schleife geschützt, indem Q3 dann den Überstromschutz auslöst. Q2 hat die Aufgabe Q3 dieses Abschalten beim Start für kurze Zeit zu blockieren. Sonst würde kein Anlauf erfolgen. D8 und das  RC-Glied aus R6 und C10 sor­gen für den Softstart.

Abb. 8 Leiterplatte eines Stecker-SNT, 12V, 2A


Vorgehen bei streikenden Geräten:

Dass Netzteile so oft ausfallen, liegt daran, dass die Bauteile stark elektrisch und thermisch belastet werden und auch häufig von suboptimaler Qualität sind. Es fallen besonders die aus, die die meiste Last haben. Schauen wir doch einmal in so ein Netzteil hinein... (Frei nach Otto Waalkes)

Aber Warnung: Am Ladekondensator liegen im Betrieb ca. 330 V an. Das ist lebensgefährlich! Diese Spannung bleibt auch nach dem Ziehen des Netzsteckers noch längere Zeit erhalten, da der Ladekondensator nur langsam entladen wird. Die dicken Ladekondensatoren, die wirklich nicht zu übersehen sind, bitte vor dem Anfassen über einen Widerstand 1k, 5 W mit angelöteten Kabeln entladen. Widerstände mit geringerer Belastbarkeit bren­nen sofort ab. Wenn immer möglich arbeitet man nicht unter Spannung! [3]

Eine Sichtkontrolle ist stets die erste Maßnahme. Besonders bei externen Kleinnetzteilen haben sich oft größerer Bauteile losgerappelt, die Beinchen haben keinen Kontakt mehr zur Platine. Gerne tritt das beim Übertrager und den großen Kondensatoren auf. Nachlöten löst das Problem, auch prophylaktisch ausgeführt kann das nicht schaden.

Wenn das Netzteil schon elektrisch riecht, kann man Leichen meist visuell bereits ausmachen, aber nicht die Todesursache. Auch Elektrolyt­kondensatoren kann man gelegentlich ansehen, dass sie (bald) defekt sind. Wenn sich die Kappe des Kondensa­tors, dort wo das X ein geprägt ist, nach oben wölbt, ist dort reichlich Druck auf dem Kessel. Selbst wenn der noch funktioniert, er wird das nicht mehr lange tun. Der muss ausgetauscht werden!

Abb. 9 Aufgeblähte Kondensatoren

Auch wenn schon viel darüber geschrieben wurde, hier noch mal etwas zu Problemkondensatoren: Bleibt die Sicht­prüfung ohne Ergebnis, sollte man die Elektrolytkondensatoren als Hauptverdächtige betrachten. Die hohen Im­pulsströme und die Betriebstemperaturen stressen sie enorm. Das Datenblatt nennt oft nur eine Lebensdauer von wenigen 1000 Stunden. Die könnte man besser machen, das würde aber mehr kosten.

Dass man auch eingebaute Elektrolytkondensatoren testen kann hat DK9ZY in [4] beschrieben. Das Verfahren ist bei den "dicken" Kondensatoren im Netzteil durchweg anwendbar. Auch zur Kapazitätsmessung muss man Kon­densatoren mit hoher Kapazität meiner Erfahrung nach nicht immer ausbauen, ihr Innenwiderstand ist aufgrund der Messfrequenz klein genug gegenüber den anderen Bauteilen. Dioden in der Schaltung können eventuell eine Messung eingebauter Kondensatoren verhindern.

Ehe man zum Lötkolben greift, kann man probeweise mal das Netzteil mit einem Föhn erwärmen. Wenn man so dem Netzteil wieder für eine Weile Leben einhauchen kann, sind  Kondensators mit Elektrolytverlust sehr wahr­schein­lich die Fehlerursache.


Erheblichen Kapazitätsverlust kann man sicher dagegen nur nach dem Auslöten diagnostizieren. Der tritt auf, wenn das Elektrolyt eingetrocknet ist. Hat der Ladekondensator der Stromversorgung des Steuer-IC einen Kapa­zitäts­verlust, scheitert der Anlauf des Netzteils. Man findet den leicht auf der Netzseite des Netzteils, dort sind nicht so viele Elektrolytkondensatoren. Netzseite und Niederspannungsseite kann man meistens deutlich unter­scheiden, da sie einen sichtbaren „Sicherheitsabstand haben auf der Leiterplatte haben.

Abb. 10 Vereinfachtes Ersatzschaltbild eines Elkos

Aber auch mit Nennkapazität können Kondensatoren fehlerhaft sein, wenn sie einen zu großen ESR (Equivalent Series Resistance) haben. Anschaulich ist das der Widerstand, der durch das Elektrolyt und die Leitfähigkeit der Aluminiumfolie und Anschlüsse gebildet wird. Lade- und Entladestrom sorgen für einen Spannungsabfall an diesem Widerstand und erwärmen den Kondensator. Dadurch trocknet er weiter ein und das erhöht den ESR, usw. Man kann den ESR messen, mir ist kein gutes Gerät zu amateurfreundlichem Preis bekannt. Vertrauens­erweckend sind erst Geräte mit einem „Innenwiderstand“ jenseits von 250 €, die ich aber nicht besitze. Mit 3 günstigen Geräten habe ich Messwerte erhalten, die sich um mehr als eine Zehner­potenz unter­schieden. Man kann keine feste Grenze angeben, ab Kondensatoren „ok“ oder „nicht ok“ unter­scheiden kann. Falls man ein ESR-Messgerät nutzen kann, kann es zum Vergleich der Werte eines Prüflings mit einem anderen Bauteil nutzen. Von dem sollte man wissen, dass es in Ordnung ist. Die Ladekon­densatoren auf  der Sekundärsete soll­ten ein ESR von ganz deutlich kleiner 1 Ohm haben, primärseitig kann der Wert 1 Ohm auch überschreiten.

Als nächster Schritt sollte man ein Ohmmeter auf den offenen Netzeingang legen. Wenn man einen Widerstand von vielen Kiloohm oder mehr misst, ist das in Ordnung. Bei offenem Eingang lohnt ein Blick auf den Thermistor und die Sicherung, falls vorhanden. Habe schon mal einen Thermistor ohne Durchgang gefunden. Der Gleichrich­ter oder das Diodenquartett sind auch typische Fehlerquellen. Meistens sind dann Diodenstrecken durchlegiert und niederohmig, so dass dann auch die Sicherung auslöst. Hat man bis dahin keine Fehlerquelle gefunden, kann man das Ohmmeter polrichtig auf den Ladekondensator legen. Nach kurzer Aufladung muss man hier einen hohen Widerstand messen. Ist das nicht der Fall, ist der MOSFET Hauptverdächtiger. Der sollte, polrichtig ge­messen, zwischen Source und  Drain nichtleitend sein. Man kann zusätzlich alle "dicken" Dioden auf der Netzsei­te in der Schaltung auf Kurzschluss prüfen, das geht meistens auch eingebaut. Fehler auf der Sekundärseite treten nach meiner Erfahrung nicht so oft auf. Defekte haben dann wiederum der / die Ladekondensator(en) oder der Gleichrichter. Der ist oft eine Doppel-Schottky-Diode, um den Laststrom aufzuteilen. Hat das Netzteil mehrere Ausgangsspannungen, sind mehrere Sekundärwicklungen, Dioden und Ladekondensatoren verbaut., die man ebenso testet.


Das Netzteil streikt immer noch:

Dann kommt man nicht umhin, unter Spannung zu testen.

Die obige Warnung sei verschärft wiederholt. Ein Trenntrafo ist Pflicht, da sonst an jedem Punkt der Schal­tung Netz­spannung anliegt und zwar unabhängig von der Drehung des Netzsteckers! Mit einem Trenntrafo geht des­sen Schutz aber durch den Anschluss eines geerdeten Messgerätes verloren!

Der Anschluss eines Oszilloskops ohne Trenntrafo führt dazu, dass dessen geht geerdeter Masseanschluss ei­nen Kurzschluss verursacht. Das ist für den OM und das Oszilloskop lebensgefährlich! Der Trenntrafo verhindert nur den Kurzschluss, die Masse des Scope verbindet aber die Schaltung wieder mit dem Schutzleiter. Das ist dann genauso wie ohne Trenntrafo. Das verhindern kann man nur durch einen weiteren Trenntransformator für jedes (!) weitere Messgerät mit einem Netzanschluss über einen Schukostecker. [5] Einen Schutzleiter zu unterbrechen ist lebensgefährlich und unzulässig.

Die meisten Netzteile sind heute Weitbereichsnetzteile d.h. sie funktionieren etwa im Bereich zwischen 90 und 260 V. Wenn man einen Stell-Trenntrafo verwendet, sollte man die Eingangsspannung auf knapp 100 V be­schränken. Dann liegen am Ladekondensator immer noch etwa 130 V, das klingt aber besser als 330 V.

Am Ladekondensator wird zuerst gemessen, ist das Netzteil ganz ohne Funktion, folgt der Drainanschluss (meist die Kühlfahne des Schalttransistors). Ein Oszilloskop sollte nur dort verwendet werden, wenn es man einen Teiler­tastkopf mit einer Spannungsfestigkeit von 800 V verwendet.

Schaltbilder der Netzteile sind fast nie verfügbar. Bei einfacher China-Ware haben die Bauteile oft Fantasiebe­zeich­nungen. Dennoch lohnt sich beim Steuer IC mal die Suche nach einem Datenblatt. Damit lässt sich der An­schluss für die Versorgungsspannung finden. [6] Dort sollte man etwas zwischen 12 und 30 V vorfinden. Die ICs liefern fast alle eine  Referenzspannung, die die Peripherie versorgt. Mehr erfährt man im Datenblatt. Dann kann man versuchen, festzustellen, ob wenigstens kurz nach dem Einschalten Pulse auf dem Gate-Anschluss des Schalttransistors zu finden sind. Danach können Schutzschaltungen das IC wieder blockieren. Wenn die Taktim­pulse nach einigen Impulsen wieder ausbleiben, sollte man auch die Versorgung des  IC über Hilfswicklung und Diode prüfen [7]. Notfalls kann man ohne Netzspannung (!) auch einmal eine externe Versorgungsspannung an das IC anlegen. Dazu muss man aber ein Datenblatt haben, um die Höhe der Spannung zu kennen. Wenn das Steuer-IC-Taktimpulse liefert, sollte der MOSFET schalten, falls der nicht schon im Siliziumhimmel ist.

Es gibt auch einige Widerstände, die stark belastet sind. Da ist der Sourcewiderstand des MOSFET, der ab­brennt, wenn der MOSFET zu viel Strom zieht. Sein Wert liegt meistens deutlich unter 1Ohm. Weiterer Kandidat ist der Vorwiderstand, der beim Start den Strom für das Steuer-IC liefert (In Abb. 7 R2) Oft ist der als Reihen­schaltung von mehreren Widerständen realisiert, um den Spannungsabfall am einzelnen Widerstand zu ver­ringern.

Es ist sehr unwahrscheinlich, dass andere Kleinbauteile aus der Regelung Fehlerursache sind. Sie sind elektrisch nur gering belastet, thermischen Stress bekommen sie nur von anderen Bauteilen. Ein defektes Steuer-IC habe ich nur selten gefunden, eher in der Beschaltung darum. Für kleine Leistungen gibt es Chips im TO220-Gehäuse, die das Steuer-IC bereits beinhalten und nur ganz wenig externe Bauelemente benötigen. Da kann nur aus­tauschen, wenn man denn Ersatz bekommt.

Zusammengefasst: Wenn man versteht, wie eine solche Schaltung arbeitet und weiß, was statistisch gesehen oft ablebt, kann man Fehler in Schaltnetzteilen finden. Und das sogar oft, ohne unter Spannung arbeiten zu müs­sen. Damit kann man manches Gerät noch eine ganze Zeit lang vor dem Wertstoffhof retten.

[1] https://www.youtube.com/watch?v=R4p9ChtH-Gc

[2] Bosse, Grundlagen der Elektrotechnik, Mannheim 1976

[3] https://www.elektrofachkraft.de/sicheres-arbeiten/10-grundsaetze-arbeiten-unter-spannung-aus

[4] CQ-DL 2/2023, S. 20

[5] https://www.youtube.com/watch?v=Q8QSarnGstw

[6] https://www.alldatasheetde.com/datasheet-pdf/pdf/29375/TI/UC3842.html

[7] https://www.youtube.com/watch?v=VLj9rVH9oCE bei 4:30

 

„Ein anderes Wort für iPhone-Hülle?“ – Apfeltasche

„Der Mathelehrer springt aus dem Fenster und fliegt nach oben: Was ist passiert?“ – Vorzeichenfehler

Details
Kategorie: Elektronik

Lithium-Ionen-Akkus in eigenen Projekten

Bild 1 Akkupack mit Balancer

Bild 1 , Akkupaket aus einem Camcorder

Lithium-Ionen-Akkus werden seit etwa 20 Jahren eingesetzt. Es gibt etliche Arten, die sich durch das Material der Elektroden und des Elektrolyten unterscheiden. Wenn der Elektrolyt in Form einer Paste vorliegt, spricht man von Polymer Akkus. Mehr dazu und eine Erklärung der Funktion findet man bei [1].

Li-Ion-Akkus werden verbaut ,wo viel Energie bei kleinem Volumen nötig ist. Anfangs waren es Mobiltelefone, hochpreisige Notebooks, heute findet man sie vom Akkustaubsauger bis zur elektrischen Zahnbürste. Das Aufmacherbild zeigt ein typisches Akkupaket aus einem Camcorder. Auch in der CQ-DL wurden sie beschrieben und wie man sie nutzen kann. [2].

Sie sind eigentlich optimal, verlangen aber sorgfältigeBrhandlung. Ein  Hersteller von Edeltelefonen musste das auch erfahren: Viele Exemplare eines Handymodells erwiesen sich als kleine Brandbomben. Sie durften nicht mehr in ein Flugzeug, es gab es einen Gesamtrückruf. Der Versand von Li-Ion-Akkus ist nur noch in mit einem spezifizierten Aufkleber gekennzeichneten Paketen erlaubt. Manche Paketdienste verweigern den Transport von Geräten mit Li-Ion-Akkus. Das halte ich zwar für übertrieben, es zeigt aber, dass man einige Regeln beachten sollte!

Information: Die Akkus enthalten auch Lithiumverbindungen, ein Alkalimetall. Diese Metalle sind sehr reaktionsfreudig und brennen leicht, besonders gut beim Kontakt mit Wasser! In den Zellen ist zwar kein metallisches Lithium, aber auch die Verbindungen haben es in sich. Sogar die Feuerwehr hat Probleme, brennende E-Autos zu löschen, oft erfolgt immer wieder eine Selbstentzündung. Sie versenkt deshalb gelöschte E-Autos zur Abkühlung einige Tage komplett in einem wassergefüllten Container. Klingt erst mal abschreckend, aber wir fahren heute mit Autos herum, die 15 mal mehr Energie im Tank haben. Das akzeptieren wir auch.


Was Li-Ion-Akkus nicht mögen:

  • Mechanische Beschädigungen, der Grund s.o.
  • Tiefentladung unterhalb von etwa 2,5 V . Lithium-Polymer-Akkus müssen sogar oberhalb von 3,3 V bleiben.
  • Laden über die Ladeschlussspannung hinaus. Das sind ca. 4,2 V, der Wert ist aber typabhängig. Bei Überschreitung kann der Akku eine ganz heiße Nummer werden.
  • Kurzschlüsse (auch kurzzeitig), sie führen zur Überhitzung.
  • Temperaturen oberhalb von 80 °C. Die Zellen „gehen durch“ und können brennen.
  • Tiefe Temperaturen, die hinterlassen aber keine bleibenden Schäden.

Bei der Tiefentladung geht Elektrodenmaterial im Elektrolyten in Lösung. Beim „Wiederbeleben“ der Zelle wird das Material wieder an der Elektrode abgeschieden. Das erfolgt aber unregelmäßig, der Separator in der Zeile kann durchdrungen werden, was einen Kurzschluss bedeutet. Anleitungen zur „Wiederbelebung“ im Netz sind unverantwortlich! Wird der Akku zu heiß, wird der Elektrolyt chemisch verändert und brandgefährlich. Polymer-Akkus blähen sich außerdem durch entstehende Gase auf. Die sollte man dann umgehend aus der Wohnung entfernen

Bild 2, Akkubox mit Warnhinweis

Amateure haben deshalb lange Li-Ion-Akkus in eigenen Projekten gemieden Ungeschützte Li-Ion-Akkuzellen findet man kaum bei Elektronikhändlern. Die sind dann mit  Warnhinweisen versehen. (Bild ) Offenbar fürchtet man bei eventuell auftretenden  Schäden durch diese Akkus eine Mithaftung.


Kontaktaufnahme

Notebookakkus, die man früher noch entnehmen konnte, wurden von  Bastlern, heute heißen die Maker, untersucht. Ziel war es, sie in anderen Geräten zu verwenden.

Das Ergebnis ist ernüchternd: 4 bis 5 Anschlusspins, aber auf keiner Kombination davon war dem Akkus Spannung zu entlocken. Der Grund: Eine Schutzschaltung im Akkugehäuse kommuniziert mit dem Notebook über einen I2C-Bus und ohne diese Verbindung stellt sich der Akku tot. Beschrieben wurde das auch bei [3] in der CQ-DL. Das Notebook speichert Informationen über die verbleibende Akkukapazität und noch viel mehr in einem EEPROM der Schutzschaltung. Diese überwacht die 3 bis 5 in Reihe geschalteten Einzelzellen und sendet die Informationen an das Notebook. Was gespeichert ist und wie man es ausliest, findet man in einem Artikel bei [6].

Powerbanks, eigentlich gedacht, die Reichweite von Handy-Akkus zu erweitern, sind beliebte  Objekte bei der Suche nach Energiespeichern. Geladen werden sie über eine USB-Buchse, ein Laderegler begrenzt die Ladeendspannung der Akkuzelle(n) auf ca. 4,2 V. Bei der Entladung wird die Spannung über einen Step-Up-Wandler von den 3 V bis 4,2 V der Zelle auf 5 V erhöht, die stehen an einer anderen (!) USB-Buchse zur Verfügung. Das zeichnet sie für eigene Projekte aus: Laden erfolgt problemlos per Handy-Netzteil, die Ausgangsspannung ist fast konstant 5 V. Aber: Alle mir bekannten Powerbanks schalten sich nicht nur bei entladenem Akku ab, sondern auch bei fehlender oder geringer Last. Das geschieht wohl, damit der Step-Up-Wandler nicht durch seinen Eigenverbrauch den Akku leer lutscht. Nach meiner Erfahrung erfolgt die Abschaltung unterhalb von etwa 50 mA Ausgangsstrom nach 1 bis 2 Minuten. Wo 5 V genügen und eine Grundlast vorhanden ist, haben wir eine preiswerte, kompakte Energiequelle, DL7VFS hat das in [2] beschrieben.


Andere Wege existieren, Akkubauformen sind genormt. Bei Li-Ion-Zellen findet man oft den Typ 18650. Wie bei der Primärzelle CR2030 die Zahl über den Zelldurchmesser 20 mm und den Durchmesser 30 Zehntelmillimeter (!) informiert, hat eine 18650-Zelle einen Durchmesser von 18 mm und die Länge 65,0 Millimeter. Das ist etwas größer als eine AA-Zelle. Trotzdem gibt es dafür Halter (Bild 3), sodass man die Zellen in Schaltungen einsetzen kann.

Bild 3 Akkuhalter mit Zelle 

Bild 3, Akkuhalterung mit 18650-Zelle

Zum Laden kann man sie entnehmen und in einem Standardlader (Bild 4) wieder  mit Energie betanken. Man muss allerdings selbst dafür sorgen, dass keine Tiefentladung eintritt.

Bild 4, Standardladegerät, für Li-Ion geeignet


Die Lösung sind Zellen dieses Typs, die ein BMS (Battery Management System) haben Das ist ein Modul, das die Zellen unterhalb der Entladeschlussspannung abschaltet und auch bei Erreichen der Ladeendspannung den Ladevorgang abbricht. Einige dieser Zellen sind durch das BMSein wenig länger als 65 mm. Andere Zellen haben die Normgröße  und die Ladung erfolgt über eine Micro-USB-Buchse an der Zelle. Akkus mit Normmaßen und BMS können wie  normale Akkus verwendet werden. Es lohnt ein Blick zum norddeutschen Händler mit dem R, der führt inzwischen viele Zellformen. Trotz BMS sind bei der Reihenschaltung solcher Zellen zusätzliche Schutzdioden erforderlich. Das ist aber noch suboptimal.

Praxis

Schalten wir trotzdem einmal  mehrere 18650-Zellen ohne BMS  in Reihe, schauen uns aber vorher bei Elektronikhändlern um. Im Fachhandel für Modellbau und auch beim E-Kauf findet man relativ günstig sogenannte Cell-Balancer. (Bild 5)

Bild , 5 Balancer für je 4 Zellen

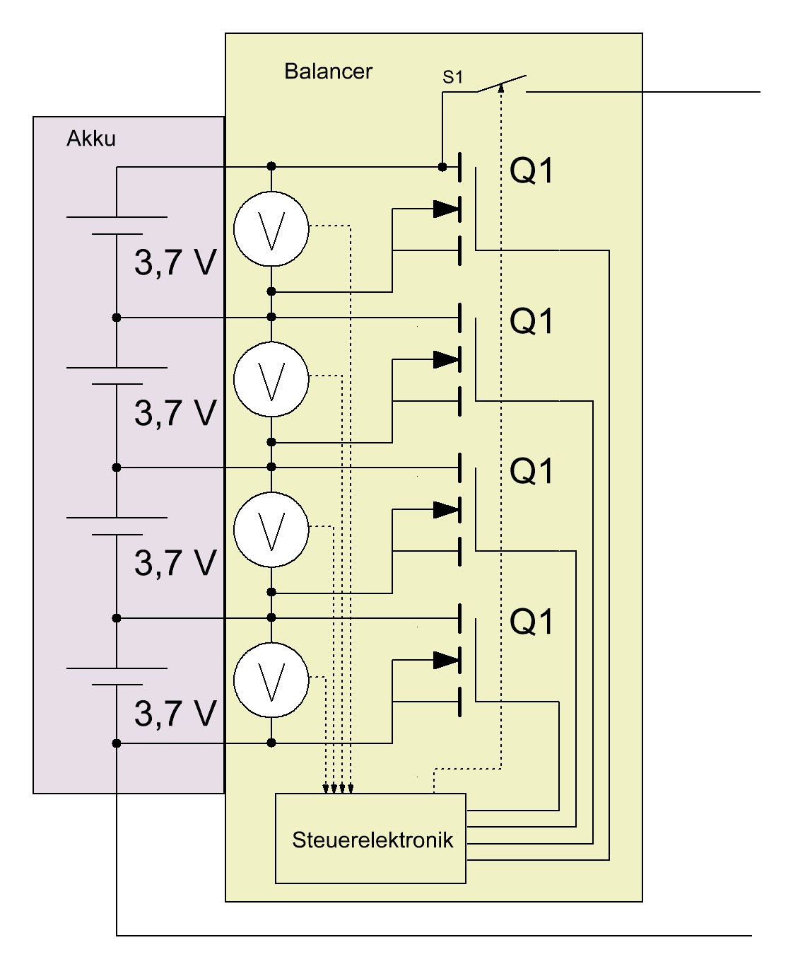
Man verbindet sie so wie in Schaltung (6) mit den Zellen. Die Cell-Balancer messen ständig die Spannung aller Einzelzellen und schalten den Ausgang des Akkus ab, wenn auch nur eine der Zellen die Entladeschlussspannung unterschreitet, oder die Ladeendspannung überschreitet. Bild 6 zeigt das schematisch. Das Akkupaket ist so geschützt.


Bild 6, Wirkungsweise des Balancers

Eine weitere Funktion kommt hinzu: Wenn auch nur eine Zelle die Ladeendspannung erreicht, müsste man eigentlich den Ladestrom abschalten, die übrigen Zellen werden nicht ganz geladen. Ist eine Zelle fast vollständig geladen, wird über einen Bypass per MOSFET ein Widerstand  parallel zu dieser Zellegeschaltet. Ein Teil des Ladestroms wird an dieser Zelle vorbeigeleitet und „verheizt“, etwas vereinfacht dargestellt. Auch die Baugruppe, die in [3] analysiert wurde, arbeitet so. Sind alle Zellen geladen, erfolgt die Abschaltung. In [4] wird das Verfahren ausführlich erklärt. Ob ein China-Produkt wirklich auch diese Funktion hat, kann man über die Erwärmung der größeren Widerstände kurz vor Ladeschluss feststellen.

Es gibt auch aktive Cell-Balancer, die über trickreiche Schaltregler, die Energie bereits vollständig geladener Zellen auf andere Zellen übertragen [5]. Ebenso kann ein Ladungsausgleich zu entladenen Zellen stattfinden. Diese Technik  findet man in den einfachen Schaltungen aber nicht. (Bild 7)

Bild 7, aktiver Balancer für 4 Zellen

Cell-Balancer gibt es für verschiedene Zellenzahlen und Lade- und Lastströme. Sie sind oft für bestimmte Akkutypen, wie den 18650, spezifiziert. Da kann man nicht mehr so viel falsch machen. Sie begrenzen in der Regel auch den maximalen Entladestrom und wirken als elektronische Sicherung.


Dimensionierung:

Nutzt man andere Akkutypen mit Cell-Balancern, muss man auf den maximal zulässigen Strom achten. Meist wird der Maximalstrom bei den Platinchen angegeben, das sind oft Mondwerte, maximal 50% davon sind realistisch. Noch wichtiger ist die Einhaltung der maximalen Ladendspannung, sie hängt von der Bauweise des Akkus ab. LiFePO4—Akkuzellen sind dabei besonders sensibel, auch bei Akkuzellen, die wie Tütchen aussehen (Polymer-Akkus), bitte genau recherchieren. Dazu noch eine Ergänzung:

Balancer werden als 3s-, 4s- oder auch 10s-Typ bezeichnet, je nachdem wie viele Zellen im Akku in Reihe geschaltet sind. Es gibt auch Akkus, bei denen mehrere Blöcke von parallel geschalteten Zellen dann in Serie schaltet sind, sie tragen eine ähnliche Bezeichnung. Ein 4s3p-Akku schaltet 4 Blöcke aus je 3 parallel geschalteten Akkus in Serie. Klingt kompliziert, das System sollte aber erkennbar sein.

18650-Zellen haben eine Kapazität von etwa 3 Ah. Drei parallele 18650-Zellenkommen dann auf ca. 10 Ah. Das ist etwa die Kapazität eines Akkus aus einer typischen Powerbank. Will man aus 4 dieser Powerbankakkus Akkupakete bauen, sollte der Balancer für 4s3p geeignet sein. Hier fließen aber höhere Ströme als bei vier 18650-Einzelzellen in Reihe. Aber Vorsicht: Powerbanks enthalten oft Lithium-Polymer-Akkus (Tütchenform), die dürfen nicht so weit entladen werden. Die Spannungsgrenzen von Akku und Balancer genau beachten!

Das sollte helfen, mögliche Kombinationen aus Akkus und Balancern zu finden, wenn es keine Angaben zur Strombelastbarkeit der Balancer gibt.

Nachtanken ist bei diesen Akkus recht problemlos. Man lädt sie mit konstantem Strom, wobei aber die Spannung begrenzt wird. Je höher der Ladestrom ist, desto stressiger ist der Vorgang für die Zeile. Wo kein Zeitdruck besteht, ist es sinnvoll den Ladestrom auf C/10 bis C/5 zu begrenzen. Das bedeutet für die 18650 er-Zellen einen Strom zwischen 300 mA und 600 mA. Die maximale Spannung wird typisch auf 4,2 V x Zellenzahl begrenzt. Bei vier Akkus in Reihe wären das 16,8 V. Zum Ladeschluss sinkt dann der Strom auf einen kleinen Wert ab. Es wäre also möglich, ein Labornetzgerät auf 16,8 V und 0,3 A einzustellen, um damit zu laden. Wir sollten in der Lage sein, eine kleine Schaltung zu entwickeln, die Ladebedingungen ermöglicht. Kleine Spannungsregler  15 V / 0,5 A erzeugen wenig Wärme, wenn man Schaltregler verwendet. Die Ladeschaltung ergänzt den Balancer um eine weitere Sicherheitsstufe.

Bild 8,Ladestufe mit Schaltreglerr


Vorsichtige Leute laden und testen selbstgebaute,  fertige Akkupaket erst einmal draußen. In meinem Umfeld sprach ein Elektriker einmal davon, seinen Pedelec-Akku mit neuen Zellen versehen. Es gab später einen Feuerwehreinsatz wegen eines Akkubrands und viel Sachschaden. Zwar  wurde nie darüber geredet, aber ein Zusammenhang liegt nahe. Sollte ein Akku wirklich einmal brennen, das beste Löschmittel ist ein Eimer Sand.

Aber bei sorgfältigem Vorgehen, wird man den nicht benötigen. Ebenso wie man bei entsprechender Vorsicht mit Hochspannung umgehen kann, ist das auch bei Li-Ion-Akkus möglich.

[1] de.wikipedia.org/wiki/Lithium-Ionen-Akkumulator

[2] CQ-DL 7/2021 S8

[3] CQ-DL 7/2021 S38, Wiederbelebung eines Notebookakkus

[4] en.wikipedia.org/wiki/Battery_balancing

[5] https://www.elektronikpraxis.vogel.de/worauf-es-beim-battery-balancing-von-lithium-ionen-akkus-ankommt-a-682080/

[6] https://www.heise.de/select/ct/2019/18/1566748989674181

 

Ein leerer Akku geht in die Disco, da sagt der Türsteher: "Sorry, nur für geladene Gäste"

  1. Analysten
  2. Oskar der Dritte
  3. Hochfrequenz aus der Dose
  4. Werkstatt

Seite 2 von 2

  • 1
  • 2

Details

  • Werkstatt
  • Arbeitsstätte
  • Kraft und Saft
  • Alte Messgeräte 1
  • Backen und Braten
  • Frequenzen
  • Netzteile
  • Die Graphen Oszillo
  • Hochfrequenz aus der Dose
  • Oskar der Dritte
  • Netzteile 2
  • Analysten
  • Genau messen
  • Präzise Wechselspannungen
  • Kapazitäten und lange Leitungen

Interessen

  • Wir mögen:
  • Segeln
  • Holzbearbeitung
  • Garten
  • Projekte
  • Amateurfunk
  • Elektronik
  • Zur Startseite
  • Impressum
  • Datenschutz
  • Passwort vergessen?
  • Benutzername vergessen?